BRIM PHONO JACKS & PLUGS
BRIM PHONO JACKS
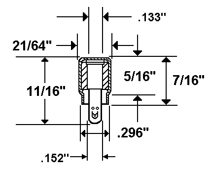
STANDARD & MINIATURE PHONO JACKS
Both are single prong, positive
grip, 1/16" bakelite mounting plate, 11/16" mounting
centers. Shell: Steel Cadmium
plated. Contacts: Brass Cadmium plated. Solder lug.
Miniature is used where space is
at a premium.



| Brim No. | Description | Std.Pkg. |
| 849M | Miniature Jack | 100 |
| 849 | Standard Jack | 100 |
Single conductor phono input jack
suitable where space is at a premium. Nickel plated
brass shell. Mounts in a
19/64" hole. Rivets & grounds to chassis. Roll-over mount
type.

| Brim
No. |
Description | O/A
Height |
Head
O.D. |
Head
I.D. |
Head
Height |
Std.
Pkg. |
| 849I | Input Jack | 11/16" | .328" | .133" | .320" | 100 |
DESCRIPTION: RCA type phono plugs
with 1/8"
tube pin & .175" cap hole for
CO-AX cables.
Suitable for recording equipment,
stereos,
record players, etc. Nickel plated
brass body.
| Brim
No. |
Pin Type | B | O/A
Length |
Std.
Pkg. |
| 413 | Long Pin | 3/8" | 1" | 100 |
| 412A | Short Pin | 9/16" | 13/16" | 100 |
DESCRIPTION: Motorola type phono
plugs with 1/8" tube pin.
Cadmium plated brass body.
Suitable for CATV, CCTV, MATV
& CO-AX antenna plug applications.

| Brim
No. |
Plug Type | O/A
Length |
Std.
Pkg. |
| 416 | Motorola | 1 21/32" | 100 |
BRIM
ELECTRONICS,
INC. 120 HOME PLACE
LODI, NJ 07644