BRIM PORCELAIN & STEATITE
FEED-THRU
INSULATORS
BRIM PORCELAIN FEED-THRU INSULATORS
High-strength, low absorbtion dry
process vitrified porcelain. Feed-thru panels, chassis, rack
mountings, etc. Smooth
white glaze finish to retard moisture absorbtion and reduce dirt/dust
accumulation. Hardware: Brass
Nickel plated rods, nuts, flat washers, cork washers for cushioning.


| Brim No. |
A | B | C | D | Color | Mnting Hole |
Hdwr. | Std. Pkg. |
| 6-58 | 1/2" | 5/8" | 1/4" | 3/8" | White | 3/8" | 6-32 | 50 |
| 6-78 | 1" | 3/4" | 5/16" | 1/2" | White | 7/16" | 8-32 | 25 |
| 6-35 | 1 1/4" | 1 1/4" | 5/8" | 5/8" | White | 1/2" | 10-32 | 25 |
| 6-34 | 2 3/4" | 2 1/4" | 1" | 1 1/4" | White | 3/4" | 1/4-20 | 10 |
RoHS compliant.
BRIM PORCELAIN CORRUGATED FEED-THRU
INSULATORS
High-strength, low absorbtion dry
process vitrified porcelain, corrugated shape, for longer leakage
paths. Feed-thru
panels, chassis, rack mountings, etc. White glaze finish to retard
moisture absorb-
tion & reduce dirt/dust accumulation.
Hardware: Brass Nickel plated rods, nuts,
flat washers, and
cork washers for cushioning.
RoHS compliant.
| Brim No. |
A | B | C | D | Color | Mnting Hole |
Hdwr. | Std. Pkg. |
| 6-79 | 1 1/4" | 1 1/4" | 1/2" | 5/8" | White | 5/8" | 10-32 | 50 |
| 6-77 | 2 1/2" | 1 1/2" | 5/8" | 1" | White | 3/4" | 1/4-20 | 10 |
| 6-52 | 4 1/2" | 2 1/4" | 3/4" | 1 1/2" | White | 1" | 1/4-20 | 5 |
High-strength, low absorbtion dry
process vitrified porcelain. For 6-38, additional unglazed
bushings
come in 1/4" 1/2" & 1"
lengths to insulated the threaded rod. White glaze finish.
Hardware: Brass Nickel
plated rods, wing nuts, washers, cork
washers for cushioning and a water-tight seal.
| Brim No. |
O/A* Height |
Color | Base* Diam. |
Top* Diam. |
Rod Length |
Std. Pkg. |
| 6-37 | 2 3/4" | White | 2" | 1 1/2" | 10" | 10 |
| 6-38 | 2 3/4" | White | 2" | 1 1/2" | 15" | 10 |
*Left & right body sections.
RoHS compliant.
BRIM STEATITE
FEED-THRU INSULATORS
L5 Steatite white smooth glaze on
surface to reduce moisture absorbtion, and dirt/dust accumulation.
For chassis, panels, shields, rack
mounting, etc. RoHS compliant. Std.
Pkg.: 100,1000
| Brim No. |
A | B | C | D | E | F | Screw Size |
| 6-91 | 1/2" | .280" | .375" | .435" | .310" | .150" | 6 |
| 6-92 | 5/8" | .405" | .405" | .470" | .437" | .175" | 8 |
| 6-93 | 3/4" | .470" | .470" | .470" | .500" | .200" | 10 |
| 6-94 | 7/8" | .595" | .470" | .500" | .625" | .265" | 1/4 |
Other construction variations are
available to order.
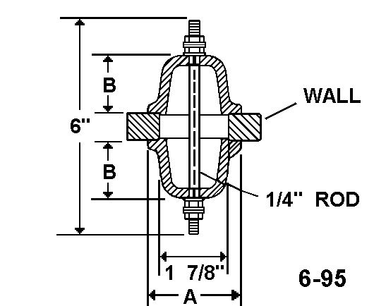
High-strength. Shoulder at
base to center the mounting hole. For panels, chassis, rack mounting.
White glaze outer surface finish to
retard moisture absorbtion & reduce dirt & dust accumulation.
RoHS compliant. Grade L5. Hardware:
Brass Nickel plated rod, nuts, flat washers.
| Brim No. |
O/A Height |
Color | A | B | Hdwr. | Std. Pkg. |
| 6-95 | 6" | White | 2 1/2" | 1 9/16" | 1/4" | 5 |
| 6-99 | 9 1/4" | White | 4 3/4" | 2 5/8" | 1/2" | 5 |
High-strength. For panels,
chassis, rack mounting, etc. White
glaze outer surface finish to retard
moisture absorbtion and reduce dirt
& dust accumulation. RoHS compliant.
Hardware: Brass Nickel plated nuts, flat
washers threaded rod. Grade L5
| Brim No. |
Color | A | B | C | D | Hdwr. | Std. Pkg. |
| 6-96 | White | 1" | 3/4" | 5/8" | 2 1/4" | 6-32 | 50 |
| 6-97 | White | 1 1/4" | 3/4" | 7/8" | 3" | 10-32 | 50 |
| 6-98 | White | 1 3/4" | 1 1/4" | 1 1/8" | 5" | 1/4-20 | 25 |
| Properties | Dry process Porcelain |
| Moisture Absorbtion | 1.0% |
| Specific Gravity | 2.40 |
| Max. Oper. Temp. | 1000°F |
| Dielectric Strength* | 50V/Mil |
| Impact Strength | 2.4inch-Lb. |
| Compressive Strength | 40,000PSI |
| Flexural Strength | 5,000PSI |
| Tensile Strength | 2,500PSI |
| Properties | Grade L3 | Grade L5 |
| Moisture Absorbtion | 0.03% | 0.02% |
| Specific Gravity | 2.40 | 2.62 |
| Max. Oper. Temp. | 1000°C | 1000°C |
| Dielectric Strength* | 220V/Mil | 275V/Mil |
| Impact Strength | 4.5inch-Lb. | 4.7inch-Lb. |
| Compressive Strength | 80,000PSI | 80,000PSI |
| Flexural Strength | 18,000PSI | 21,000PSI |
| Tensile Strength | 8,500PSI | 9,000PSI |
BRIM
ELECTRONICS, INC.
120 HOME PLACE
LODI, NJ 07644